Procedimientos de reparación y reemplazo de transistores, usando el circuito integrado MX0541 en fuentes de Televisores SONY
 El 
        presente es un resumen del artículo del Profesor José Luis Orozco Cuautle, 
        publicado en la revista Electrónica y Servicio y reproducido aquí con la autorización del autor y la editorial 
        de la revista.
El 
        presente es un resumen del artículo del Profesor José Luis Orozco Cuautle, 
        publicado en la revista Electrónica y Servicio y reproducido aquí con la autorización del autor y la editorial 
        de la revista.
      Describe procedimientos para la reparación y prueba de 
        la fuente de alimentación conmutada, utilizada en muchos modelos de televisores 
        Sony, así como, un método efectivo de sustitución de los transistores 
        que se emplean en estas fuentes de TV Sony de 14, 21, 27 y 32 pulgadas.
      
      
      Estas fuentes conmutadas operan a una frecuencia alta 
        (del orden de los kilociclos). Por esta razón, se requiere de transistores 
        de alta velocidad que manejen una frecuencia superior a 100 KHz y una 
        potencia elevada, pues los televisores requieren un promedio de 60 a 180 
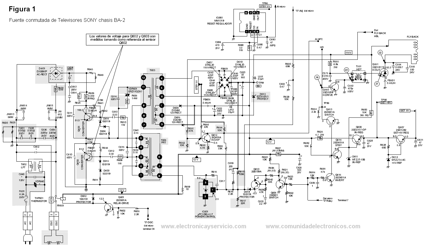
        Watts dependiendo el tamaño de la pantalla del TV. En la figura 1 se muestra 
        el diagrama de la fuente de un televisor Sony que emplea el chasis BA-2. 
        Ahí aparecen los transistores conmutadores Q602 y Q603, cuya operación 
        genera la forma de onda que se aplica en la terminal 11 del transformador 
        T603.
      Si analizamos diversas fuentes de televisores Sony (chasis 
        AA-1, AA-2, AA-2D, BA-1, BA-2, BA-3 y otros) veremos que hay similitud 
        entre ellas. Los transistores más comúnmente usados en dichas fuentes, 
        son: 2SC4833, 2SC4834, 2SC4663, 2SC4664 y 2SC5271.
      En nuestra experiencia en el servicio, hemos detectado 
        que cuando un aparato de este tipo no enciende, se debe a que alguno de 
        estos transistores, generalmente ambos, se han dañado.
        Suelen dañarse, por descargas eléctricas o alteraciones de voltaje en 
        la línea; o porque algún componente del televisor (diodos, VDR, transistor 
        de salida horizontal, flyback, etc.) se ha dañado; cuando sucede esto 
        último, los transistores se ponen en corto, se quema el fusible o la resistencia 
        de protección (según el diseño del circuito) y el equipo deja de funcionar.
      Cuando estos elementos se dañan, es necesario sustituirlos. 
        Pero si no se tiene la precaución (o el buen hábito) de verificar previamente 
        el estado de los componentes electrónicos que los rodean (y de sustituirlos 
        si están dañados), se corre el riesgo de dañar los transistores nuevos 
        que se hayan instalado. Para evitar esto, hay que ejecutar el procedimiento 
        que explicamos enseguida.
      Procedimiento de reparación en fuentes conmutadas de 
        televisores Sony
    Como referencia utilizaremos el diagrama del TV modelo 
        KV-21RS50 (chasis BA-2), sin embargo el procedimiento descrito se puede 
        aplicar a todos los modelos con chasis AA-1, AA-2, AA-2D, BA-1, BA-2, BA-3 y otros con fuentes conmutadas del mismo tipo. 
     
El síntoma más común de un televisor que tiene averiada 
    la fuente, es que no enciende. En tal caso ejecutar las siguientes acciones:
      
        - Si el televisor está totalmente apagado, realice una 
          inspección visual en el área de la fuente y salida horizontal. La idea 
          es detectar las piezas que pudieran estar visiblemente dañadas; por 
          ejemplo, fusibles quemados, filtros inflados, bobinas rotas, flyback 
          deteriorado, soldaduras defectuosas, o fracturas en el circuito impreso 
          (si este es el caso, ver: Reparando 
          placas de circuitos impresos).
- Con la ayuda del multímetro, verifique que no haya 
          corto en la línea del voltaje B+. Recuerde que es muy común que el transistor 
          de salida horizontal se dañe.
- Si descubre que el transistor de salida horizontal 
          está en corto, revise los transistores osciladores y su protección (ésta 
          suele ser una resistencia), el VDR y los diversos condensadores existentes 
          en la fuente. También compruebe la continuidad en los transformadores, 
          y verifique que no estén quemados; en su caso, sustitúyalos.
- Sin instalar los transistores de la fuente, conecte 
          ésta a la línea de AC y compruebe que en la salida del puente rectificador 
          del primario haya un voltaje de DC (160V en promedio para líneas de 
          110~120VAC o 300V para líneas de 220VAC). Y para verificar que este 
          voltaje no tiene rizo, coloque dos focos (bombillos) de 60 Watts en 
          serie como carga falsa.
- Con la ayuda del voltímetro de AC en serie con un condensador 
          de 0.05uF, haga mediciones en la salida del puente rectificador primario. 
          En este caso, la tensión de AC encontrada debe ser menor de 1 voltio.
 Cuando haya un problema de filtrado, la tensión AC será superior a 1 
          voltio e incluso podrá llegar a ser de 10 VAC; esto haría que se dañen 
          los transistores; en tal caso, el voltaje de corriente directa (DC) 
          leído en este punto también estará por debajo de su valor nominal. Si 
          usted ha encontrado esta situación, deberá cambiar de inmediato el condensador 
          (capacitor) de filtro C609.
- Después de haber sustituido los componentes dañados 
          y los transistores de la fuente, y sin colocar el transistor de salida 
          horizontal, con una fuente DC variable, aplique voltaje en los extremos 
          del condensador filtro (C609).
- Incremente la tensión gradualmente, para verificar 
          que la fuente oscile, colocando el voltímetro en +B del puente de diodos 
          en el secundario.
- La fuente conmutada deberá comenzar a oscilar, cuando 
          apliquemos una tensión superior a 12 voltios. En ese momento, en la 
          salida del puente secundario debe haber aproximadamente 110 voltios 
          DC.
- Si la fuente no oscila (y por lo tanto no hay voltaje 
          a la salida), se debe a que alguno de sus componentes todavía está dañado. 
          En tal caso, vuelva a revisarlos.
- Una vez que la fuente esté entregando los 110V, debemos 
          hacer una prueba de simetría. Para comprobar que la fuente está operando 
          normalmente, verifique que los transistores Q602 y Q603 estén conduciendo 
          de manera simétrica; para ello, coloque el multímetro entre los terminales 
          Emisor y Colector; la tensión deberá ser igual en ambos transistores; 
          o sea, cada transistor estará aportando la mitad del voltaje total aplicado 
          con la fuente variable.  La tolerancia que puede haber entre una 
          medición y otra, es de 10%. En caso de que la diferencia sea superior 
          a este porcentaje, significa que hay problemas en la conducción de los 
          transistores; con lo cual un transistor se calentará más que el otro, 
          ocasionando que se dañe.
- La simetría también puede comprobarse con el osciloscopio. 
          Conectándolo entre Emisor y Colector de cada uno de los transistores, 
          y verificando que la forma de onda y la amplitud sea igual en ambos 
          transistores, aunque de fase invertida.
- Una vez comprobada la simetría en la fuente de alimentación, 
          desconecte la fuente de DC variable y conecte la fuente conmutada a 
          la línea de AC. Para esto último, coloque un dimmer o un Variac (ver: 
          Dimmer: 
          un variac electrónico económico ) y el transformador de relación 
          1 a 1 (transformador aislador).
 Con el fin de que la fuente tenga carga, en la línea de B+ regulado 
          puede colocar como carga falsa un foco (bombillo o lámpara incandescente) 
          de 40 Watts.
- Mediante el Variac, varíe el voltaje de AC aplicado 
          (de menor a mayor voltaje).  Verifique entonces que la línea de 
          +B regulada se mantenga en un nivel fijo. También compruebe que la temperatura 
          de transistores osciladores no supere los 70 grados. La máxima diferencia 
          de temperatura que puede haber entre uno y otro, es de 6 grados; y si 
          es así, quiere decir que hay buena simetría entre ellos.
- Quite el Variac e instale el transistor de salida horizontal, 
          conecte un bombillo de 100 a 200 Watts (ver: Prueba 
          y protección de fuentes conmutadas) en la línea de +B entre la fuente 
          y el Flyback y encienda el televisor. De este modo evitará que se dañen 
          los transistores si hay una falla aun no detectada en la etapa horizontal 
          (flyback, yugo, etc.).
- Si no hay cortos y todo funciona, retire el bombillo 
          y conecte el +B y vuelva a encender el TV.  Controle la temperatura 
          del transistor de salida horizontal, después de 10 minutos de funcionamiento, 
          debe mantenerse en unos 60 grados centígrados aproximadamente.
Si todo se encuentra en orden, podemos estar razonablemente 
        seguros de que la reparación está completada y que el televisor no tendrá 
        problemas durante un largo periodo.
      Problemas en la reparación
        Si la ejecución del procedimiento anterior no es suficiente para eliminar 
        la falla del aparato, tal vez se debe a alguna de las siguientes razones: 
      
      
        - No se verificaron bien las condiciones de alguno de 
          los elementos que rodean a los transistores; por ejemplo, puede haber 
          daños o fugas en los diodos, en los VDR, o en los condensadores miniatura 
          de 0.33 ó 0.22 microfaradios, que van en las bases de los propios transistores 
          y que deben ser siempre originales. Si se colocan condensadores de otro 
          material o voltaje de trabajo, existe el riesgo de que se dañen también 
          los nuevos transistores instalados.
- Los transistores dañados se sustituyeron con piezas 
          remarcadas, o falsificas de origen dudoso (no originales).
- Los transistores de reemplazo no están apareados; es 
          decir, no tienen las mismas características y generan una diferente 
          temperatura de operación.
El transistor dual MX0541
      Hasta ahora, no existía un perfecto sustituto o reemplazo 
        de los transistores 2SC4834, 2SC4833, 2SC4663, 2SC4664 y 2SC5271. Pero 
        esto ha cambiado, desde que apareció el MX0541
        Si analizamos su estructura interna encontraremos que tiene dos transistores 
        (figura 2).
      Sustitución de los transistores 2SC4833, 2SC4834, 2SC4663, 
        2SC4664 y 2SC5271 con el transistor dual MX0541
      Proceda como indicamos a continuación:
      
        - Coloque grasa (pasta) de silicón en la parte posterior 
          del MX0541 para mejorar la transferencia de calor al disipador.
- En los chasis AA-1 que utilizan un disipador grande 
          para ambos transistores, el MX0541 puede ser atornillado directamente 
          sobre ese disipador. 
- En los chasis que utilizan disipadores individuales 
          pequeños para cada transistor, coloque el circuito integrado en un disipador 
          de calor tipo de aletas de unos 30mm de largo por 40mm de ancho y 25mm 
          de alto, aproximadamente (ver figura 3). Sujételo con un tornillo.
- Retire los disipadores “viejos” y ubique 
          en su lugar el integrado MX0541 con el disipador nuevo).
- Por medio de alambres cortos, conecte los transistores 
          del circuito integrado a los puntos correspondientes a Base, Emisor 
          y Colector, en el circuito impreso. Es muy importante, observar la ubicación 
          de los terminales de Base, Colector y Emisor de cada uno de los transistores  
          que componen el circuito integrado MX0541 (vea nuevamente la figura 
          2).
- En la figura 3 se muestra cómo debe quedar montado 
          el MX0541. Uno de sus transistores, se monta directamente en el circuito 
          impreso; coloque con cuidado cada terminal, para que coincidan el emisor, 
          la base y el colector.

 Ventajas de usar el transistor dual MX0541
      
        - Es un componente de bajo costo.
- Los dos transistores que lo forman, están perfectamente 
          apareados; permiten que el funcionamiento de la fuente sea estable.
- Es un elemento de alta calidad, y de diseño más reciente.
- Se calienta a una temperatura de aproximadamente 65°C. 
          Gracias a esto, evita que se produzcan fallas por sobrecalentamiento.
- Contiene un par de VDR internos. Que lo protegen contra 
          pulsos inversos que a veces son generados en las fuentes y que dañan 
          a los transistores; y así, el trabajo de reparación es más eficiente.
Comentarios finales
        En nuestras pruebas de laboratorio, hemos comprobado que el MX0541 es 
        el sustituto ideal de los transistores 2SC4834, 2SC4833, 2SC4663, 2SC4664 
        y 2SC5271.
        Si tiene dudas o requiere ayuda para la reparación de un televisor, consulte 
        en el Foro de 
        Comunidad Electrónicos
 
         
          | Colaboración del 
              Prof. José Luis Orozco Cuautle y la revista Electrónica y Servicio para Comunidad Electrónicos.Prohibida la reproducción total o parcial, sin el consentimiento de las partes.
Todos los derechos reservados.
 |